|
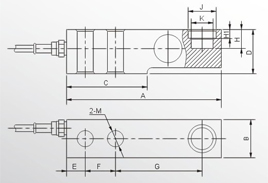
量程Capacity |
尺寸Size (mm) |
|||||||||||
|
t |
A |
B |
C |
D |
E |
F |
G |
H |
H1 |
J |
K |
M |
|
0.5~2 |
203.2 |
37.2 |
95.2 |
43.2 |
19.2 |
64.1 |
98.2 |
30.2 |
8.1 |
32.2 |
16.2 |
13.0 |
|
5 |
235.2 |
48.2 |
110.2 |
52.2 |
23.2 |
66.2 |
124.2 |
30.2 |
12.1 |
38.2 |
22.2 |
21.0 |
|
10 |
279.2 |
60.2 |
133.2 |
67.2 |
25.2 |
82.2 |
140.0 |
20.2 |
8.6 |
48.2 |
32.2 |
28.0 |
|
20 |
318.2 |
70.2 |
153.2 |
82.2 |
32.2 |
89.2 |
159.2 |
25.2 |
10.2 |
54.2 |
38.2 |
34.0 |

在線訂購